GN 707.4-NI
GN 707.4
Deljeni nastavni obroči
78711-R,20
78710-R,10
78712-R,50
ozGN 300-30-B5-SW;60
GN 612-5-M12x1,5-A;40
DIN 172-B10,5-20-A;50
ISO 8675-M8x1-04-BT;10
78711-R,20
78710-R,10
78712-R,50
ozGN 300-30-B5-SW;60
GN 612-5-M12x1,5-A;40
DIN 172-B10,5-20-A;50
ISO 8675-M8x1-04-BT;10
Nastavni obroč
Cilindrični vijak ISO 4762
Plemenito jeklo 1.4301 (A2)
Varovalo navoja
Točkovni poliamidni premaz (PFB)
modra
Nastavljive vpenjalne ročice
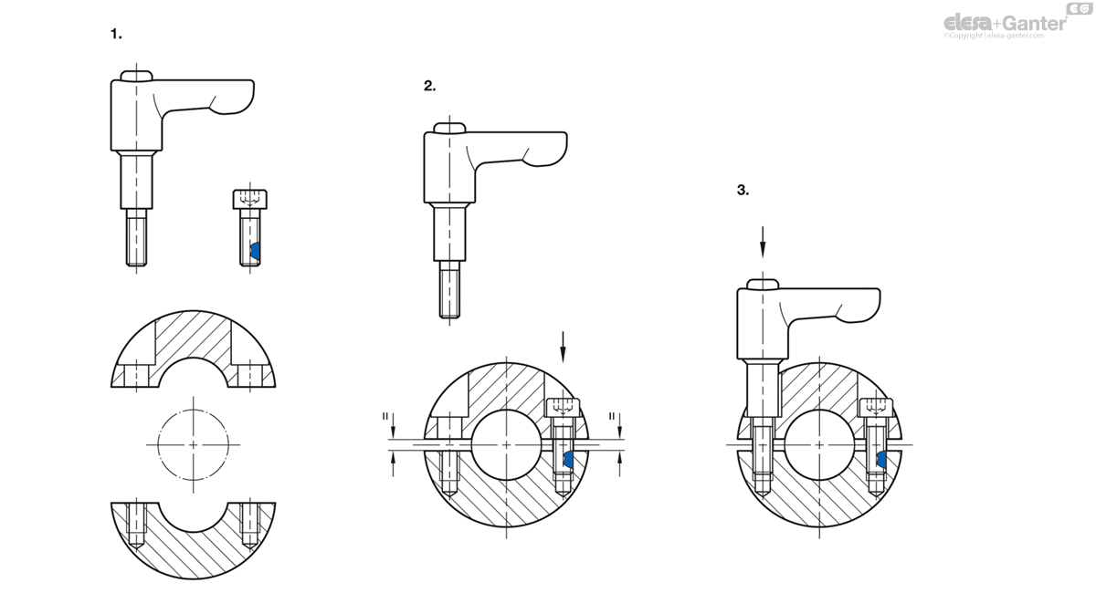
Deljeni nastavni obroči GN 707.4 se uporabljajo, če aksialna montaža ni mogoča. Mogoče jih hitro in enostavno vpenjati brez orodja, tako da se z nastavljivim vpenjalnim vzvodom zmanjša višina reže. Primerni so npr. za uporabo kot omejilnik, katerega položaj se pogosto prestavlja.
Vpenjalno varovalo navoja priloženega cilindričnega vijaka zagotavlja, da se pri montaži nastavljena višina reže obdrži tudi pri popuščeni vpenjalni ročici.
Deljeni nastavni obroči dimenzijsko ustrezajo razcepljenim nastavnim obročem GN 706.2 / GN 706.4. Navoj d3 je zasnovan kot prehodna izvrtina pri velikostih d1 = 16 do 36 ter kot slepa izvrtina od velikosti d1 = 42.
Vaše povpraševanje je bilo poslano in bo obdelano takoj, ko bo mogoče.